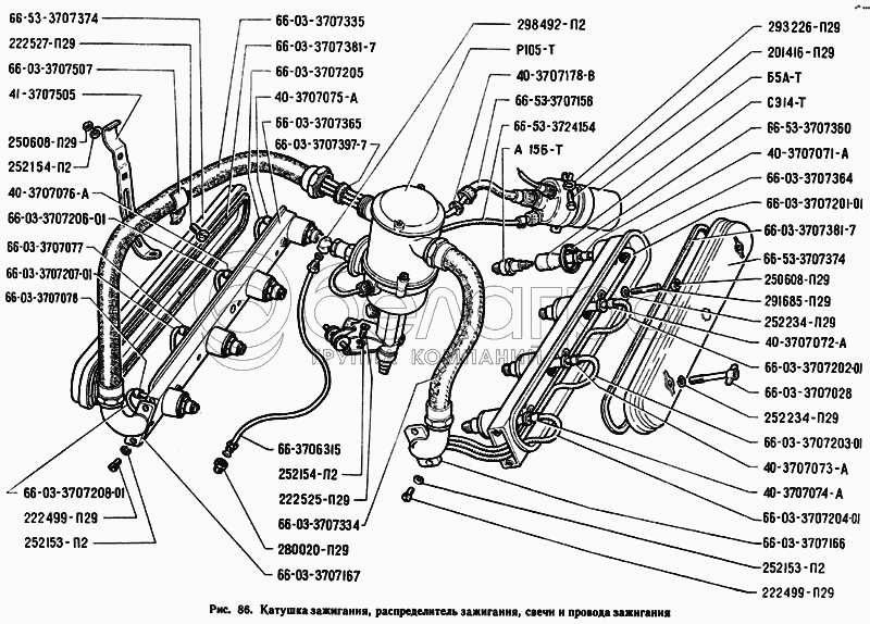
Каталог запасных частей к технике: ГАЗ-71. Катушка зажигания, распределитель зажигания, свечи и провода зажигания

zoom-in zoom-out enlarge shrink circle-right circle-left file-text2 info cart arraw right arraw left zoom out zoom in arraw maximize arraw minimize
252234-П29
66-03-3707203-01
66-03-3707204-01
66-03-3707206-01
Р105-Т
А15Б-Т
СЭ14-Т
66-3706315
66-03-3707381-7
66-03-3707381-7
66-03-3707397-7
66-53-3707360
252153-П2
252153-П2
252154-П2
252154-П2
252234-П29
66-03-3707207-01
293226-П29
66-03-3707335
66-03-3707334
291685-П29
280020-П29
298492-П2
66-03-3707167
66-03-3707166
66-03-3707365
66-03-3707364
40-3707072-А
222527-П29
66-03-3707028
222525-П29
222499-П29
222499-П29
40-3707178-В
250608-П29
250608-П29
41-3707505
66-03-3707507
Б5А-Т
66-53-3707374
66-53-3707374
66-03-3707078
201416-П29
40-3707071-А
40-3707075-А
66-03-3707077
40-3707073-А
40-3707074-А
40-3707076-А
66-53-3707156
66-53-3724154
66-03-3707208-01
66-03-3707202-01
66-03-3707201-01
66-03-3707205
252234-П29
Шайба 2-6 ОСТ 37.001.146-75
В узле: 7
66-03-3707203-01
Провод к свече 3-го цилиндра в сборе
В узле: 1
66-03-3707204-01
Провод к свече 4-го цилиндра в сборе
В узле: 1
66-03-3707206-01
Провод от распределителя к свече шестого цилиндра
В узле: 1
Р105-Т
Распределитель зажигания в сборе (66-53-3706010)
В узле: 1
А15Б-Т
Свеча зажигания в сборе (13Ю-3707010)
В узле: 8
СЭ14-Т
Сопротивление помехоподавительное (66-53-3707180)
В узле: 8
66-3706315
Трубка вакуумного регулятора распределителя в сборе
В узле: 1
66-03-3707381-7
Уплотнитель крышки экрана свечей зажигания
В узле: 2
66-03-3707397-7
Уплотнитель проводов
В узле: 4
66-53-3707360
Уплотнитель экрана свечей зажигания в сборе
В узле: 8
252153-П2
Шайба 5Л ОСТ 37.001.115-75
В узле: 4
252154-П2
Шайба 6Л ОСТ 37.001.115-75
В узле: 1
252234-П29
Шайба 2-6 ОСТ 37.001.146-75
В узле: 4
66-03-3707207-01
Провод от распределителя к свече седьмого цилиндра
В узле: 1
293226-П29
Шайба 6,5
В узле: 2
66-03-3707335
Шланг проводов от распределителя к левому экрану свечей зажигания в сборе
В узле: 1
66-03-3707334
Шланг проводов правого ряда цилиндров в сборе
В узле: 1
291685-П29
Шпилька М6х35 крепления экрана свечей зажигания к двигателю
В узле: 7
280020-П29
Штуцер
В узле: 1
298492-П2
Штуцер
В узле: 1
66-03-3707167
Штуцер экрана свечей зажигания левый
В узле: 1
66-03-3707166
Штуцер экрана свечей зажигания правый
В узле: 1
66-03-3707365
Экран свечей зажигания левого ряда цилиндров
В узле: 1
66-53-3707355
Экран свечей зажигания левого ряда цилиндров двигателя с проводами в сборе
В узле: 1
66-03-3707364
Экран свечей зажигания правого ряда цилиндров
В узле: 1
66-53-3707354
Экран свечи зажигания правого ряда цилиндров двигателя с проводами в сборе
В узле: 1
40-3707072-А
Манжета маркировочная провода к свече 2-го цилиндра
В узле: 2
222527-П29
Винт М6-6gх20
В узле: 1
66-03-3707028
Винт М6х70 крепления крышки экрана свечей зажигания к экрану в сборе
В узле: 4
222525-П29
Винт М6-6gх16 ОСТ 37.001.128-96
В узле: 1
222499-П29
Винт М5-6gх14
В узле: 4
40-3707178-В
Втулка
В узле: 2
250608-П29
Гайка М6-6Н ОСТ 37.001.124-93
В узле: 1
250608-П29
Гайка М6-6Н ОСТ 37.001.124-93
В узле: 7
41-3707505
Держатель шланга проводов зажигания
В узле: 1
66-03-3707507
Зажим шланга
В узле: 1
Б5А-Т
Катушка зажигания (63ЭЮ-3705010)
В узле: 1
66-53-3707374
Крышка экрана свечей зажигания в сборе
В узле: 2
66-03-3707078
Манжета маркировочная провода к свече 8-го цилиндра
В узле: 2
201416-П29
Болт М6-6gх12 ОСТ 37.001.123-96
В узле: 2
40-3707071-А
Манжета маркировочная провода к свече 1-го цилиндра
В узле: 2
40-3707075-А
Манжета маркировочная провода к свече 5-го цилиндра
В узле: 2
66-03-3707077
Манжета маркировочная провода к свече 7-го цилиндра
В узле: 2
40-3707073-А
Манжета маркировочная провода к свече 3-го цилиндра
В узле: 2
40-3707074-А
Манжета маркировочная провода к свече 4-го цилиндра
В узле: 2
40-3707076-А
Манжета маркировочная провода к свече 6-го цилиндра
В узле: 2
66-53-3707156
Провод от катушки зажигания к распределителю зажигания со шлангом в сборе
В узле: 1
66-53-3724154
Провод от распределителя к катушке зажигания в сборе
В узле: 1
66-03-3707208-01
Провод от распределителя к свече восьмого цилиндра
В узле: 1
66-03-3707202-01
Провод к свече 2-го цилиндра в сборе
В узле: 1
66-03-3707201-01
Провод к свече 1-го цилиндра в сборе
В узле: 1
66-03-3707205
Провод от распределителя к свече пятого цилиндра
В узле: 1
Содержащиеся в справочниках-каталогах запасные части и детали не предлагаются к продаже, а носят исключительно информационный характер

Ваша заявка была отправлена. В ближайшее время наши специалисты с Вами свяжутся по указанному Вами телефону.

Представьтесь
Поле обязательно для заполнения
Ваш телефон
Введите правильный номер телефона
E-mail
Введите правильный e-mail
Тема
Тема
применяемость финансирование доставка цена, наличие другое сервис и гарантия
Время для звонка
08:00
08:00 09:00 10:00 11:00 12:00 13:00 14:00 15:00 16:00 17:00 18:00 19:00
19:00
08:00 09:00 10:00 11:00 12:00 13:00 14:00 15:00 16:00 17:00 18:00 19:00

Мы постараемся перезвонить в указанное время

Если вы не хотите ждать, то звоните нашим вежливым консультантам:

8 800 100-2-700
Подтвердите, что вы не робот
Подтвердите, что вы не робот
Спасибо!

Ваше сообщение успешно отправлено!

ЗакрытьПовторить попытку