Каталог запасных частей к технике: ГАЗ-71. Бензиновый бак

zoom-in zoom-out enlarge shrink circle-right circle-left file-text2 info cart arraw right arraw left zoom out zoom in arraw maximize arraw minimize
71-1101010
224598-П29
222595-П29
251106-П29
БМ147-АЭ
41-1103010
353052-П29
47-1101120
47-1101121
12-1104022
71-1104012
71-1101110
060-140505
293196-П
71-1101010
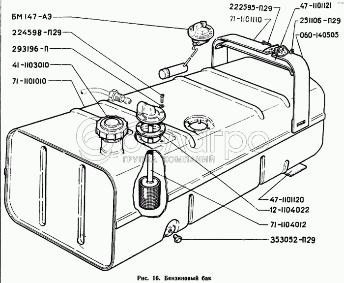
Бак в сборе
В узле: 4
224599-П29
Винт М5-6gх14
В узле: 20
224598-П29
Винт М5-6gх12 ОСТ 37.001.130-81
В узле: 20
222595-П29
Винт хомута
В узле: 16
251106-П29
Гайка М8
В узле: 16
БМ147-АЭ
Датчик указателя уровня топлива
В узле: 4
41-1103010
Пробка в сборе
В узле: 4
353052-П29
Пробка К1/4"
В узле: 4
47-1101120
Прокладка бака
В узле: 20
47-1101121
Прокладка бака
В узле: 8
12-1104022
Прокладка датчика и фланца
В узле: 4
12-1104022
Прокладка датчика и фланца
В узле: 4
71-1104012
Трубка приемная бензинопровода с фильтром в сборе
В узле: 4
71-1101110
Хомут крепления бака длинный в сборе
В узле: 8
060-140505
Хомут крепления бака короткий в сборе
В узле: 8
293196-П
Шайба 5,5 ГОСТ 11371-78
В узле: 20
Содержащиеся в справочниках-каталогах запасные части и детали не предлагаются к продаже, а носят исключительно информационный характер

Ваша заявка была отправлена. В ближайшее время наши специалисты с Вами свяжутся по указанному Вами телефону.

Представьтесь
Поле обязательно для заполнения
Ваш телефон
Введите правильный номер телефона
E-mail
Введите правильный e-mail
Тема
Тема
применяемость финансирование доставка цена, наличие другое сервис и гарантия
Время для звонка
08:00
08:00 09:00 10:00 11:00 12:00 13:00 14:00 15:00 16:00 17:00 18:00 19:00
19:00
08:00 09:00 10:00 11:00 12:00 13:00 14:00 15:00 16:00 17:00 18:00 19:00

Мы постараемся перезвонить в указанное время

Если вы не хотите ждать, то звоните нашим вежливым консультантам:

8 800 100-2-700
Подтвердите, что вы не робот
Подтвердите, что вы не робот
Спасибо!

Ваше сообщение успешно отправлено!

ЗакрытьПовторить попытку