Каталог запасных частей к технике: ГАЗ-71. Фильтр центробежной очистки масла

zoom-in zoom-out enlarge shrink circle-right circle-left file-text2 info cart arraw right arraw left zoom out zoom in arraw maximize arraw minimize
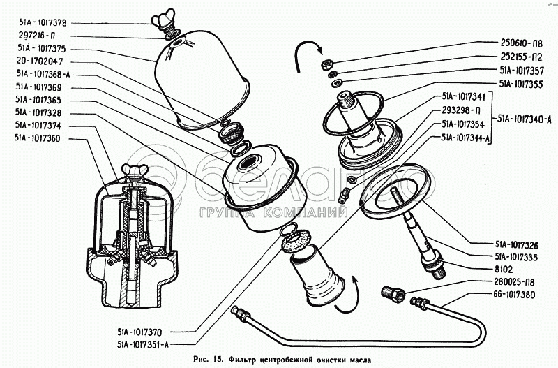
51А-1017326
280025-П8
51А-1017357
51А-1017369
252155-П2
293298-П
297216-П
66-1017380
51А-1017344-А
51А-1017351-А
51А-1017341
51А-1017340-А
51А-1017328
51А-1017337
51А-1017378
51А-1017335
51А-1017355
20-1702047
51А-1017370
51А-1017374
51А-1017375
51А-1017360
51А-1017365
51А-1017354
250610-П8
51А-1017368-А
51А-1017326
Отражатель фильтра центробежной очистки масла
В узле: 1
280025-П8
Штуцер К 3/8 трубки
В узле: 2
51А-1017357
Шайба упорная ротора фильтра центробежной очистки масла
В узле: 1
51А-1017369
Шайба ротора фильтра центробежной очистки масла
В узле: 1
252155-П2
Шайба 8Л ОСТ 37.001.115-75
В узле: 1
293298-П
Шайба 10 жиклера
В узле: 2
297216-П
Шайба 16
В узле: 1
66-1017380
Трубка нагнетательная фильтра центробежной очистки масла в сборе
В узле: 1
51А-1017344-А
Стакан направляющий ротора фильтра центробежной очистки масла
В узле: 1
51А-1017351-А
Сетка фильтра центробежной очистки масла
В узле: 1
51А-1017341
Ротор фильтра центробежной очистки масла с втулками в сборе
В узле: 1
51А-1017340-А
Ротор фильтра центробежной очистки масла в сборе
В узле: 1
51А-1017328
Прокладка кожуха фильтра центробежной очистки масла
В узле: 1
51А-1017337
Подшипник 8102 ГОСТ 520-91
В узле: 1
51А-1017378
Гайка-барашек фильтра центробежной очистки масла
В узле: 1
51А-1017335
Ось ротора фильтра центробежной очистки масла
В узле: 1
51А-1017311
Комплект деталей фильтра
В узле: 1
51А-1017355
Кольцо уплотнительное ротора фильтра центробежной очистки масла
В узле: 1
20-1702047
Кольцо стопорное
В узле: 1
51А-1017370
Кольцо стопорное гайки кожуха ротора
В узле: 1
51А-1017374
Кожух фильтра центробежной очистки масла в сборе
В узле: 1
51А-1017375
Кожух фильтра центробежной очистки масла
В узле: 1
51А-1017360
Кожух ротора фильтра центробежной очистки масла в сборе
В узле: 1
51А-1017365
Кожух ротора фильтра центробежной очистки масла
В узле: 1
51А-1017354
Жиклер ротора фильтра центробежной очистки масла
В узле: 2
250610-П8
Гайка М8х1,25
В узле: 1
51А-1017368-А
Гайка кожуха ротора фильтра центробежной очистки масла
В узле: 1
Содержащиеся в справочниках-каталогах запасные части и детали не предлагаются к продаже, а носят исключительно информационный характер

Ваша заявка была отправлена. В ближайшее время наши специалисты с Вами свяжутся по указанному Вами телефону.

Представьтесь
Поле обязательно для заполнения
Ваш телефон
Введите правильный номер телефона
E-mail
Введите правильный e-mail
Тема
Тема
применяемость финансирование доставка цена, наличие другое сервис и гарантия
Время для звонка
08:00
08:00 09:00 10:00 11:00 12:00 13:00 14:00 15:00 16:00 17:00 18:00 19:00
19:00
08:00 09:00 10:00 11:00 12:00 13:00 14:00 15:00 16:00 17:00 18:00 19:00

Мы постараемся перезвонить в указанное время

Если вы не хотите ждать, то звоните нашим вежливым консультантам:

8 800 100-2-700
Подтвердите, что вы не робот
Подтвердите, что вы не робот
Спасибо!

Ваше сообщение успешно отправлено!

ЗакрытьПовторить попытку