Каталог запасных частей к технике: ГАЗ-71. Блок и головка блока цилиндров

zoom-in zoom-out enlarge shrink circle-right circle-left file-text2 info cart arraw right arraw left zoom out zoom in arraw maximize arraw minimize
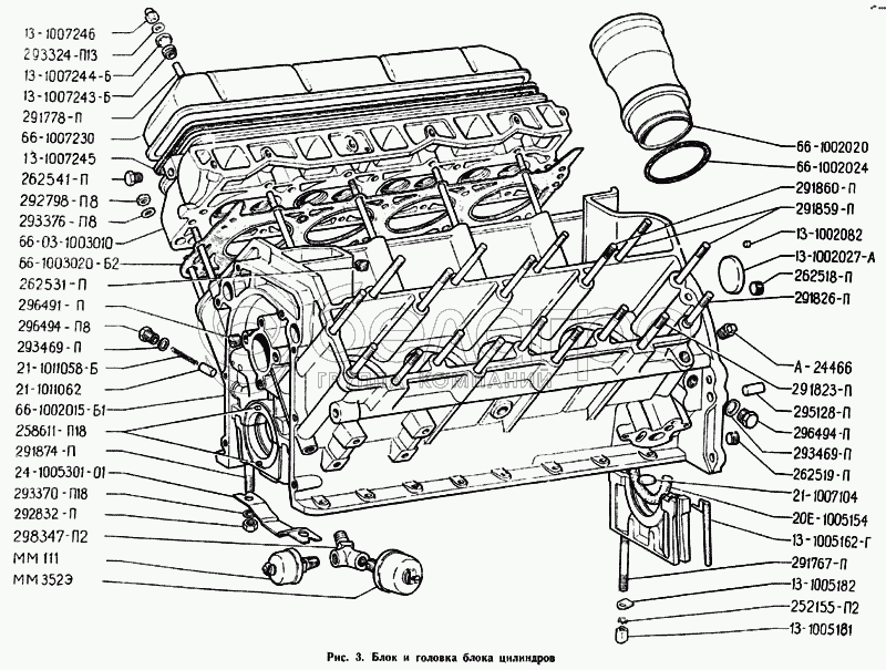
291823-П
66-1002024
66-1003020-Б2
13-1007245
13-1005162-Г
13-1007243-Б
293376-П8
293469-П
293469-П
293370-П18
293324-П13
13-1005182
252155-П2
13-1007244-Б
296491-П
296491-П
291826-П
291860-П
291859-П
291767-П
291874-П
291778-П
258611-П18
258611-П18
295128-П
298347-П2
21-1011058-Б
21-1007104
292798-П8
292832-П
13-1005181
13-1007246
66-1002020
66-03-1003010
ММ111
ММ352Э
13-1002082
13-1002027-А
66-1002015-Б1
66-1007230
20Е-1005154
24-1005301-01
21-1011062
262531-П
262531-П
262518-П
262519-П
262541-П
А-24466
296494-П
291823-П
Шпилька М11х1х108
В узле: 8
66-1002024
Прокладка гильзы цилиндра
В узле: 8
66-1003020-Б2
Прокладка головки блока цилиндров в сборе
В узле: 2
13-1007245
Прокладка крышки коромысел
В узле: 2
13-1005162-Г
Прокладка
В узле: 2
13-1007243-Б
Прокладка уплотнительная крышки коромысел
В узле: 4
293376-П8
Шайба 11,5
В узле: 35
293469-П
Шайба 18
В узле: 2
293370-П18
Шайба 12
В узле: 10
293324-П13
Шайба
В узле: 4
13-1005182
Шайба крепления держателя
В узле: 2
252155-П2
Шайба 8Л ОСТ 37.001.115-75
В узле: 2
13-1007244-Б
Шайба специальная крышки
В узле: 4
296491-П
Пробка М16
В узле: 2
291826-П
Шпилька М11х1х195
В узле: 10
291860-П
Шпилька М11х1х208
В узле: 9
291859-П
Шпилька М11х1х170
В узле: 9
291767-П
Шпилька М8х1х62
В узле: 2
291874-П
Шпилька М12х1,25-4h6hх82
В узле: 10
291778-П
Шпилька М10х1-6gх112
В узле: 4
258611-П18
Штифт 4х10
В узле: 1
258611-П18
Штифт 4х10
В узле: 1
295128-П
Штифт 13х28
В узле: 2
298347-П2
Штуцер К1/4"
В узле: 1
21-1011058-Б
Пружина редукционного клапана
В узле: ---
21-1007104
Заглушка
В узле: 1
66-1002009-Б
Блок цилиндров с картером сцепления в сборе
В узле: 1
292798-П8
Гайка М11х1
В узле: 36
292832-П
Гайка СП М12х1,25
В узле: 10
13-1005181
Гайка
В узле: 2
13-1007246
Гайка крышки
В узле: 4
66-1002020
Гильза цилиндра в сборе
В узле: 8
66-03-1003010
Головка блока цилиндров в сборе
В узле: 2
66-03-1003007
Головка блока цилиндров с клапанами в сборе
В узле: 2
ММ111
Датчик контрольной лампы аварийного давления масла (53-50-3810500)
В узле: 1
ММ352Э
Датчик указателя давления масла (49Б-3810600)
В узле: 1
13-1002082
Заглушка блока 6,5Х8
В узле: 1
13-1002027-А
Заглушка заднего подшипника распределительного вала
В узле: 1
66-1002015-Б1
Блок цилиндров
В узле: 1
66-1007230
Крышка коромысел в сборе
В узле: 2
20Е-1005154
Набивка сальника
В узле: 2
24-1005301-01
Пластина стопорная
В узле: 5
21-1011062
Плунжер редукционного клапана
В узле: 2
262531-П
Пробка КГ 1/8"
В узле: 1
262531-П
Пробка КГ 1/8"
В узле: 2
262518-П
Пробка КГ 3/8"
В узле: 4
262519-П
Пробка коническая масляных каналов
В узле: 1
262541-П
Пробка КГ 1/8
В узле: 2
А-24466
Пробка 1/4"х18
В узле: 1
296494-П
Пробка М18х1,5 сливная
В узле: 1
Содержащиеся в справочниках-каталогах запасные части и детали не предлагаются к продаже, а носят исключительно информационный характер

Ваша заявка была отправлена. В ближайшее время наши специалисты с Вами свяжутся по указанному Вами телефону.

Представьтесь
Поле обязательно для заполнения
Ваш телефон
Введите правильный номер телефона
E-mail
Введите правильный e-mail
Тема
Тема
применяемость финансирование доставка цена, наличие другое сервис и гарантия
Время для звонка
08:00
08:00 09:00 10:00 11:00 12:00 13:00 14:00 15:00 16:00 17:00 18:00 19:00
19:00
08:00 09:00 10:00 11:00 12:00 13:00 14:00 15:00 16:00 17:00 18:00 19:00

Мы постараемся перезвонить в указанное время

Если вы не хотите ждать, то звоните нашим вежливым консультантам:

8 800 100-2-700
Подтвердите, что вы не робот
Подтвердите, что вы не робот
Спасибо!

Ваше сообщение успешно отправлено!

ЗакрытьПовторить попытку