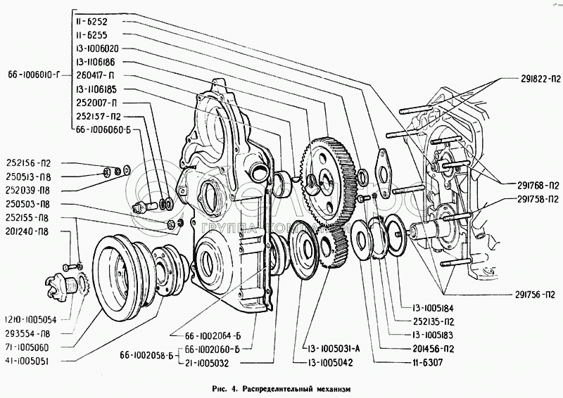
Каталог запасных частей к технике: ГАЗ-71. Распределительный механизм

zoom-in zoom-out enlarge shrink circle-right circle-left file-text2 info cart arraw right arraw left zoom out zoom in arraw maximize arraw minimize
13-1005031-А
252157-П2
252135-П2
252155-П8
252156-П2
293554-П8
11-6307
13-1005184
13-1005183
252039-П8
13-1006020
71-1005060
291822-П2
291758-П2
291756-П2
291768-П2
260417-П
13-1106185
66-1002058-Б
66-1006060-Б
201456-П2
201240-П8
66-1006010-Г
250503-П8
250513-П8
11-6255
66-1002060-Б
13-1106186
13-1005042
66-1002064-Б
21-1005032
41-1005051
11-6252
12Ю-1005054
252007-П
13-1005031-А
Шестерня распределительная коленчатого вала
В узле: 1
252157-П2
Шайба 12Л ОСТ 37.001.115-75
В узле: 1
252135-П2
Шайба 8Т ОСТ 37.001.115-75
В узле: 2
252155-П8
Шайба 8 пружинная
В узле: 6
252156-П2
Шайба 10Л ОСТ 37.001.115-75
В узле: 2
293554-П8
Шайба 28 пружинная
В узле: 1
11-6307
Шайба упорная коленчатого вала
В узле: 1
13-1005184
Шайба упорного подшипника задняя
В узле: 1
13-1005183
Шайба передняя
В узле: 1
252039-П8
Шайба 10
В узле: 1
13-1006020
Шестерня распределительного вала в сборе
В узле: 1
71-1005060
Шкив коленчатого вала
В узле: 1
291822-П2
Шпилька М10х1х100
В узле: 2
291758-П2
Шпилька М8х1х58
В узле: 1
291756-П2
Шпилька М8х1х55 крепления крышки распределительных шестерен
В узле: 3
291768-П2
Шпилька М8х1-4hх88
В узле: 2
260417-П
Шпонка 5х22
В узле: 1
13-1106185
Эксцентрик привода топливного насоса
В узле: 1
66-1002058-Б
Крышка распределительных шестерен в сборе
В узле: 1
66-1006060-Б
Болт крепления шестерен распределительного вала и привода центробежного датчика в сборе
В узле: 1
201456-П2
Болт М8-6gх20
В узле: 2
201240-П8
Болт М8-4hх18
В узле: 6
66-1006010-Г
Вал распределительный в сборе
В узле: 1
250503-П8
Гайка М8х1-4Н5Н
В узле: 6
250513-П8
Гайка М10х1-6Н
В узле: 2
11-6255
Кольцо распорное распределительного вала
В узле: 1
66-1002060-Б
Крышка распределительных шестерен
В узле: 1
13-1106186
Балансир эксцентрика привода бензинового насоса
В узле: 1
13-1005042
Маслоотражатель коленчатого вала
В узле: 1
66-1002064-Б
Прокладка крышки распределительных шестерен
В узле: 1
21-1005032
Сальник передний коленчатого вала с отражателем в сборе
В узле: 1
41-1005051
Ступица в сборе
В узле: 1
11-6252
Фланец упорный распределительного вала
В узле: 1
12Ю-1005054
Храповик коленчатого вала
В узле: 1
252007-П
Шайба 12
В узле: 1
Содержащиеся в справочниках-каталогах запасные части и детали не предлагаются к продаже, а носят исключительно информационный характер

Ваша заявка была отправлена. В ближайшее время наши специалисты с Вами свяжутся по указанному Вами телефону.

Представьтесь
Поле обязательно для заполнения
Ваш телефон
Введите правильный номер телефона
E-mail
Введите правильный e-mail
Тема
Тема
применяемость финансирование доставка цена, наличие другое сервис и гарантия
Время для звонка
08:00
08:00 09:00 10:00 11:00 12:00 13:00 14:00 15:00 16:00 17:00 18:00 19:00
19:00
08:00 09:00 10:00 11:00 12:00 13:00 14:00 15:00 16:00 17:00 18:00 19:00

Мы постараемся перезвонить в указанное время

Если вы не хотите ждать, то звоните нашим вежливым консультантам:

8 800 100-2-700
Подтвердите, что вы не робот
Подтвердите, что вы не робот
Спасибо!

Ваше сообщение успешно отправлено!

ЗакрытьПовторить попытку