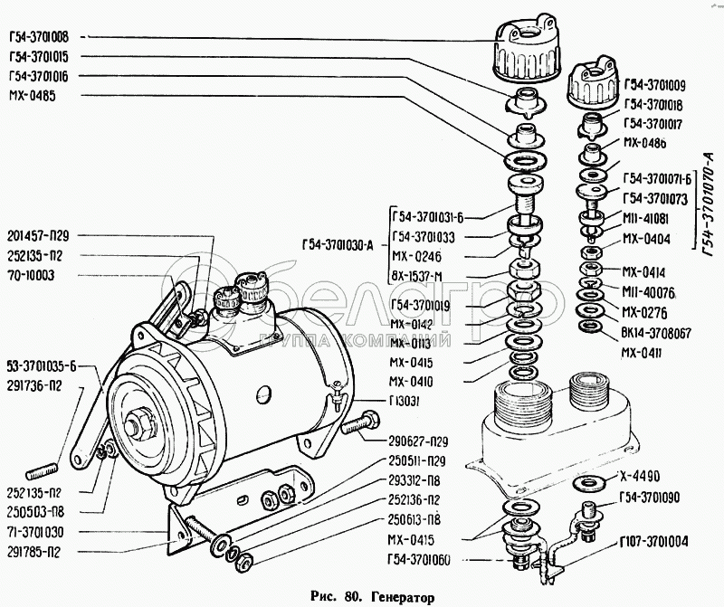
Каталог запасных частей к технике: ГАЗ-71. Генератор

zoom-in zoom-out enlarge shrink circle-right circle-left file-text2 info cart arraw right arraw left zoom out zoom in arraw maximize arraw minimize
МХ-0485
70-10003
Г107-3701004
Г54-3701073
Г54-3701033
Х-4490
МХ-0276
МХ-0113
МХ-0411
293312-П8
МХ-0410
МХ-0415
МХ-0415
53-3701035-Б
МХ-0486
ВК14-3708067
252135-П2
252135-П2
252136-П2
МХ-0246
МХ-0142
М11-40076
М11-41081
291785-П2
291736-П2
8Х-1537-М
201457-П29
Г54-3701030-А
Г54-3701070-А
Г54-3701071-Б
Г54-3701031-Б
Г54-3701060
Г54-3701016
Г54-3701017
Г54-3701015
Г54-3701018
Г54-3701090
290627-П29
250503-П8
250613-П8
МХ-0404
МХ-0414
Г54-3701019
250511-П29
Г54-3701009
Г54-3701008
Г130Э1
71-3701030
МХ-0485
Шайба изоляционная
В узле: 1
70-10003
Скоба прижимная
В узле: 1
Г107-3701004
Упор
В узле: 1
Г54-3701073
Чашка
В узле: 1
Г54-3701033
Чашка
В узле: 1
Х-4490
Шайба изоляционная щеточного вывода
В узле: 1
МХ-0276
Шайба 6
В узле: 1
МХ-0113
Шайба
В узле: 1
МХ-0411
Шайба
В узле: 1
293312-П8
Шайба 10
В узле: 2
МХ-0410
Шайба изоляционная
В узле: 2
МХ-0415
Шайба изоляционная
В узле: 3
53-3701035-Б
Планка установочная генератора
В узле: 1
МХ-0486
Шайба изоляционная
В узле: 1
ВК14-3708067
Шайба изоляционная
В узле: 1
252135-П2
Шайба 8Т ОСТ 37.001.115-75
В узле: 1
252136-П2
Шайба 10 ОТ ОСТ 37.001.115-75
В узле: 2
МХ-0246
Шайба 8 пружинная
В узле: 1
МХ-0142
Шайба пружинная
В узле: 1
М11-40076
Шайба пружинная
В узле: 1
М11-41081
Шайба 5Т пружинная
В узле: 1
291785-П2
Шпилька М10х(1,5-Сп/1-4Н)х22 ОСТ 37.001.180-96
В узле: 2
291736-П2
Шпилька М6х1-4hх16
В узле: 1
8Х-1537-М
Гайка М8
В узле: 1
201457-П29
Болт М8-6gх22 ОСТ 37.001.123-96
В узле: 1
Г54-3701030-А
Вилка в сборе
В узле: 1
Г54-3701070-А
Вилка в сборе
В узле: 1
Г54-3701071-Б
Вилка с арматурой
В узле: 1
Г54-3701031-Б
Вилка с арматурой
В узле: 1
Г54-3701060
Втулка в сборе
В узле: 1
Г54-3701016
Втулка конусная
В узле: 1
Г54-3701017
Втулка конусная
В узле: 1
Г54-3701015
Втулка конусная
В узле: 1
Г54-3701018
Втулка конусная
В узле: 1
Г54-3701090
Втулка с кольцом в сборе
В узле: 1
290627-П29
Болт М8х1х30 крепления верхнего кронштейна
В узле: 2
250503-П8
Гайка М8х1-4Н5Н
В узле: 1
250613-П8
Гайка М10х1
В узле: 2
МХ-0404
Гайка
В узле: 1
МХ-0414
Гайка
В узле: 1
Г54-3701019
Гайка
В узле: 1
250511-П29
Гайка М8х1-6Н ОСТ 37.001.124-93
В узле: 4
Г54-3701009
Гайка специальная
В узле: 1
Г54-3701008
Гайка специальная
В узле: 1
Г130Э1
Генератор (Г-71-3701010)
В узле: 1
71-3701030
Кронштейн генератора
В узле: 1
Содержащиеся в справочниках-каталогах запасные части и детали не предлагаются к продаже, а носят исключительно информационный характер

Ваша заявка была отправлена. В ближайшее время наши специалисты с Вами свяжутся по указанному Вами телефону.

Представьтесь
Поле обязательно для заполнения
Ваш телефон
Введите правильный номер телефона
E-mail
Введите правильный e-mail
Тема
Тема
применяемость финансирование доставка цена, наличие другое сервис и гарантия
Время для звонка
08:00
08:00 09:00 10:00 11:00 12:00 13:00 14:00 15:00 16:00 17:00 18:00 19:00
19:00
08:00 09:00 10:00 11:00 12:00 13:00 14:00 15:00 16:00 17:00 18:00 19:00

Мы постараемся перезвонить в указанное время

Если вы не хотите ждать, то звоните нашим вежливым консультантам:

8 800 100-2-700
Подтвердите, что вы не робот
Подтвердите, что вы не робот
Спасибо!

Ваше сообщение успешно отправлено!

ЗакрытьПовторить попытку