Каталог запасных частей к технике: ГАЗ-71. Снегоочиститель

zoom-in zoom-out enlarge shrink circle-right circle-left file-text2 info cart arraw right arraw left zoom out zoom in arraw maximize arraw minimize
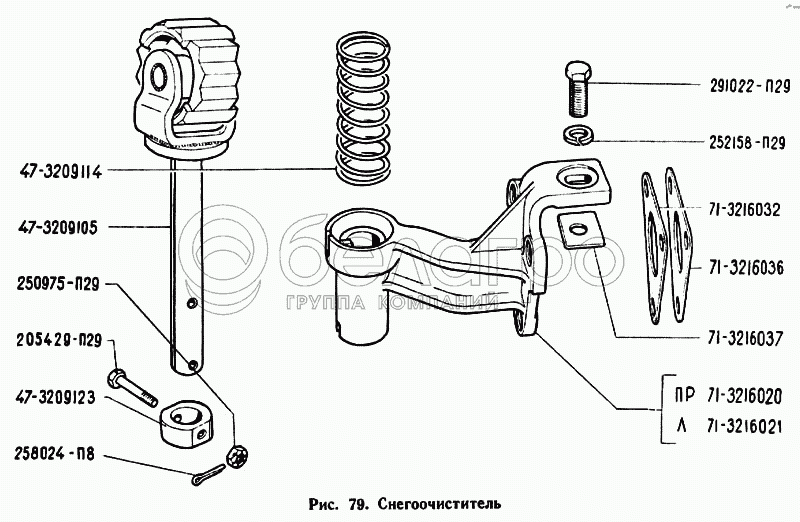
205429-П29
291022-П29
47-3209105
47-3209123
250975-П29
71-3216021
71-3216020
71-3216037
71-3216036
71-3216032
47-3209114
252158-П29
258024-П8
205429-П29
Болт выключения снегоочистителя
В узле: 2
291022-П29
Болт крепления снегоочистителя
В узле: 8
47-3209105
Вилка со звездочкой и стержнем снегоочистителя в сборе
В узле: 2
47-3209123
Втулка упорная
В узле: 2
250975-П29
Гайка М8х1-6Н ОСТ 37.001.108-93
В узле: 2
71-3216021
Кронштейн снегоочистителя со шпонкой левый в сборе
В узле: 1
71-3216020
Кронштейн снегоочистителя со шпонкой правый в сборе
В узле: 1
71-3216037
Прокладка противошумная
В узле: 2
71-3216036
Прокладка противошумная
В узле: 2
71-3216032
Прокладка регулировочная
В узле: 2
47-3209114
Пружина снегоочистителя
В узле: 2
71-3216011
Снегоочиститель гусеницы левый в сборе
В узле: 1
71-3216010
Снегоочиститель гусеницы правый в сборе
В узле: 1
252158-П29
Шайба 14
В узле: 8
258024-П8
Шплинт 2,3х16
В узле: 2
Содержащиеся в справочниках-каталогах запасные части и детали не предлагаются к продаже, а носят исключительно информационный характер

Ваша заявка была отправлена. В ближайшее время наши специалисты с Вами свяжутся по указанному Вами телефону.

Представьтесь
Поле обязательно для заполнения
Ваш телефон
Введите правильный номер телефона
E-mail
Введите правильный e-mail
Тема
Тема
применяемость финансирование доставка цена, наличие другое сервис и гарантия
Время для звонка
08:00
08:00 09:00 10:00 11:00 12:00 13:00 14:00 15:00 16:00 17:00 18:00 19:00
19:00
08:00 09:00 10:00 11:00 12:00 13:00 14:00 15:00 16:00 17:00 18:00 19:00

Мы постараемся перезвонить в указанное время

Если вы не хотите ждать, то звоните нашим вежливым консультантам:

8 800 100-2-700
Подтвердите, что вы не робот
Подтвердите, что вы не робот
Спасибо!

Ваше сообщение успешно отправлено!

ЗакрытьПовторить попытку