Каталог запасных частей к технике: ГАЗ-71. Главная передача

zoom-in zoom-out enlarge shrink circle-right circle-left file-text2 info cart arraw right arraw left zoom out zoom in arraw maximize arraw minimize
205478-П29
205487-П29
250864-П29
250864-П29
71-2600010
71-2601250
060-141813
060-141812
060-141811
252016-П29
252016-П29
252016-П29
258041-П29
258041-П29
205478-П29
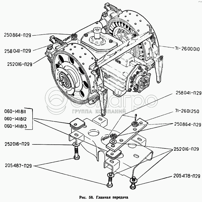
Болт крепления главной передачи
В узле: 2
205487-П29
Болт крепления главной передачи к пластине опоры
В узле: 4
250864-П29
Гайка
В узле: 2
250864-П29
Гайка
В узле: 4
71-2600010
Главная передача, бортовые фрикционы и тормоза в сборе
В узле: 1
71-2601250
Пластина опоры главной передачи
В узле: 1
060-141813
Прокладка регулировочная крепления главной передачи
В узле: 4
060-141812
Прокладка регулировочная крепления главной передачи
В узле: 4
060-141811
Прокладка регулировочная крепления главной передачи
В узле: 4
252016-П29
Шайба 14 ОСТ 37.001.144-96
В узле: 2
252016-П29
Шайба 14 ОСТ 37.001.144-96
В узле: 8
258041-П29
Шплинт 3,2х32
В узле: 2
258041-П29
Шплинт 3,2х32
В узле: 4
Содержащиеся в справочниках-каталогах запасные части и детали не предлагаются к продаже, а носят исключительно информационный характер

Ваша заявка была отправлена. В ближайшее время наши специалисты с Вами свяжутся по указанному Вами телефону.

Представьтесь
Поле обязательно для заполнения
Ваш телефон
Введите правильный номер телефона
E-mail
Введите правильный e-mail
Тема
Тема
применяемость финансирование доставка цена, наличие другое сервис и гарантия
Время для звонка
08:00
08:00 09:00 10:00 11:00 12:00 13:00 14:00 15:00 16:00 17:00 18:00 19:00
19:00
08:00 09:00 10:00 11:00 12:00 13:00 14:00 15:00 16:00 17:00 18:00 19:00

Мы постараемся перезвонить в указанное время

Если вы не хотите ждать, то звоните нашим вежливым консультантам:

8 800 100-2-700
Подтвердите, что вы не робот
Подтвердите, что вы не робот
Спасибо!

Ваше сообщение успешно отправлено!

ЗакрытьПовторить попытку