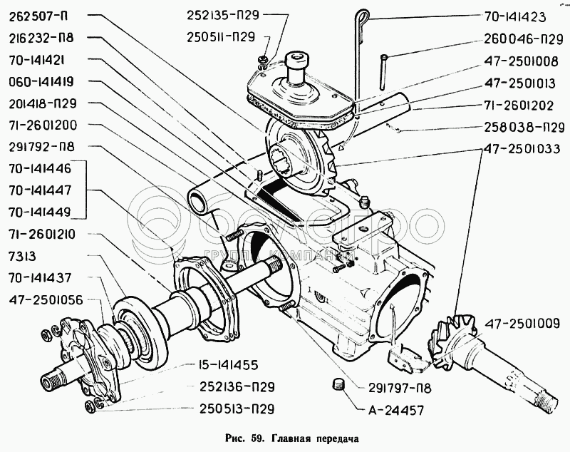
Каталог запасных частей к технике: ГАЗ-71. Главная передача

zoom-in zoom-out enlarge shrink circle-right circle-left file-text2 info cart arraw right arraw left zoom out zoom in arraw maximize arraw minimize
70-141421
258038-П29
291792-П8
216232-П8
291797-П8
47-2501033
70-141437
252136-П29
252135-П29
70-141423
47-2501056
70-141449
70-141446
70-141447
47-2501013
201418-П29
А-24457
262507-П
7313
060-141419
260046-П29
71-2601202
47-2501009
15-141455
47-2501008
71-2601200
250513-П29
250511-П29
71-2601210
70-141421
Прокладка болтов маслоуловителя
В узле: 1
258038-П29
Шплинт 3,2х16 ОСТ 37.001.171-93
В узле: 1
291792-П8
Шпилька М10х1х28
В узле: 4
216232-П8
Шпилька М8Х1Х16
В узле: 6
291797-П8
Шпилька М10х1-4hх30
В узле: 8
47-2501033
Шестерни ведущая и ведомая главной передачи (комплект после притирки)
В узле: 1
70-141437
Шайба упорная крепления подшипника ведомого вала главной передачи
В узле: 2
252136-П29
Шайба 10Т
В узле: 12
252135-П29
Шайба 8Т
В узле: 6
70-141423
Указатель уровня масла картера главной передачи
В узле: 1
47-2501056
Сальник ведомого вала главной передачи в сборе
В узле: 2
70-141449
Прокладка регулировочная подшипников ведомого вала главной передачи
В узле: 4
70-141446
Прокладка регулировочная подшипников ведомого вала главной передачи
В узле: 10
70-141447
Прокладка регулировочная подшипников ведомого вала главной передачи
В узле: 6
47-2501013
Прокладка крышки верхнего люка картера главной передачи
В узле: 1
201418-П29
Болт М6-6gх16 ОСТ 37.001.123-96
В узле: 2
А-24457
Пробка КГ1/2"
В узле: 2
262507-П
Пробка К3/8"
В узле: 1
7313
Подшипник роликовый конический ведомого вала главной передачи в сборе
В узле: 2
060-141419
Пластина стопорная болтов маслоуловителя
В узле: 1
260046-П29
Палец 8х60
В узле: 1
71-2601202
Опора тормозных лент
В узле: 1
47-2501009
Маслоуловитель картера главной передачи в сборе
В узле: 1
15-141455
Кулачок упорный отводки фрикциона
В узле: 2
47-2501008
Крышка верхнего люка картера главной передачи с сапуном и отражательным щитком в сборе
В узле: 1
71-2601200
Картер главной передачи в сборе
В узле: 1
250513-П29
Гайка М10х1-6Н
В узле: 12
250511-П29
Гайка М8х1-6Н ОСТ 37.001.124-93
В узле: 6
71-2601210
Вал ведомой шестерни главной передачи со втулками в сборе
В узле: 1
Содержащиеся в справочниках-каталогах запасные части и детали не предлагаются к продаже, а носят исключительно информационный характер

Ваша заявка была отправлена. В ближайшее время наши специалисты с Вами свяжутся по указанному Вами телефону.

Представьтесь
Поле обязательно для заполнения
Ваш телефон
Введите правильный номер телефона
E-mail
Введите правильный e-mail
Тема
Тема
применяемость финансирование доставка цена, наличие другое сервис и гарантия
Время для звонка
08:00
08:00 09:00 10:00 11:00 12:00 13:00 14:00 15:00 16:00 17:00 18:00 19:00
19:00
08:00 09:00 10:00 11:00 12:00 13:00 14:00 15:00 16:00 17:00 18:00 19:00

Мы постараемся перезвонить в указанное время

Если вы не хотите ждать, то звоните нашим вежливым консультантам:

8 800 100-2-700
Подтвердите, что вы не робот
Подтвердите, что вы не робот
Спасибо!

Ваше сообщение успешно отправлено!

ЗакрытьПовторить попытку