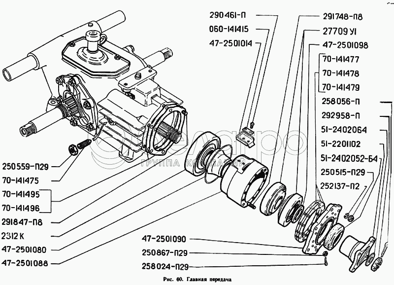
Каталог запасных частей к технике: ГАЗ-71. Главная передача

zoom-in zoom-out enlarge shrink circle-right circle-left file-text2 info cart arraw right arraw left zoom out zoom in arraw maximize arraw minimize
70-141478
258056-П
258024-П29
291847-П8
291748-П8
252137-П2
51-2402064
47-2501098
51-2201102
51-2402052-Б4
70-141496
70-141495
70-141477
70-141479
290461-П
2312К
51-2402025
060-141415
47-2501014
47-2501090
47-2501088
250559-П29
292958-П
250867-П29
250515-П29
47-2501080
70-141475
70-141478
Прокладка регулировочная конических подшипников ведущей шестерни главной передачи
В узле: 2
258056-П
Шплинт 4х40
В узле: 1
258024-П29
Шплинт 2,5х16 ОСТ 37.001.171-93
В узле: 12
291847-П8
Шпилька М12х1,25х32
В узле: 6
291748-П8
Шпилька корпуса подшипников
В узле: 12
252137-П2
Шайба 12.ОТ ОСТ 37.001.115-75
В узле: 6
51-2402064
Шайба специальная
В узле: 1
47-2501098
Шайба ведущей шестерни главной передачи внутренняя
В узле: 1
51-2201102
Фланец крепления карданного вала к ведущей шестерне главной передачи
В узле: 1
51-2402052-Б4
Манжета ведущей шестерни главной передачи в сборе
В узле: 1
70-141496
Прокладка регулировочная крышки корпуса подшипников
В узле: 3
70-141495
Прокладка регулировочная крышки корпуса подшипников
В узле: 4
70-141477
Прокладка регулировочная конических подшипников ведущей шестерни главной передачи
В узле: 2
70-141479
Прокладка регулировочная конических подшипников ведущей шестерни главной передачи
В узле: 2
290461-П
Винт крепления маслоуловителя корпуса подшипников
В узле: 2
2312К
Подшипник роликовый цилиндрический ведущей шестерни главной передачи (060-141440)
В узле: 1
51-2402025
Подшипник 27709У1
В узле: 2
060-141415
Планка стопорная винтов маслоуловителя
В узле: 2
47-2501014
Маслоуловитель корпуса подшипников ведущей шестерни главной передачи
В узле: 1
47-2501090
Крышка корпуса подшипников ведущей шестерни главной передачи в сборе
В узле: 1
47-2501088
Корпус подшипников ведущей шестерни главной передачи
В узле: 1
250559-П29
Гайка М14х1,5-6Н ОСТ 37.001.124-93
В узле: 2
292958-П
Гайка М24х1,5
В узле: 1
250867-П29
Гайка М8х1-6Н ОСТ 37.001.108-93
В узле: 12
250515-П29
Гайка М12х1,25-6Н ОСТ 37.001.124-93
В узле: 6
47-2501080
Втулка распорная внутренних колец подшипника ведущей шестерни главной передачи в сборе
В узле: 1
70-141475
Винт крепления наружной обоймы роликового подшипника
В узле: 2
Содержащиеся в справочниках-каталогах запасные части и детали не предлагаются к продаже, а носят исключительно информационный характер

Ваша заявка была отправлена. В ближайшее время наши специалисты с Вами свяжутся по указанному Вами телефону.

Представьтесь
Поле обязательно для заполнения
Ваш телефон
Введите правильный номер телефона
E-mail
Введите правильный e-mail
Тема
Тема
применяемость финансирование доставка цена, наличие другое сервис и гарантия
Время для звонка
08:00
08:00 09:00 10:00 11:00 12:00 13:00 14:00 15:00 16:00 17:00 18:00 19:00
19:00
08:00 09:00 10:00 11:00 12:00 13:00 14:00 15:00 16:00 17:00 18:00 19:00

Мы постараемся перезвонить в указанное время

Если вы не хотите ждать, то звоните нашим вежливым консультантам:

8 800 100-2-700
Подтвердите, что вы не робот
Подтвердите, что вы не робот
Спасибо!

Ваше сообщение успешно отправлено!

ЗакрытьПовторить попытку