Каталог запасных частей к технике: ГАЗ-71. Пусковое оборудование

zoom-in zoom-out enlarge shrink circle-right circle-left file-text2 info cart arraw right arraw left zoom out zoom in arraw maximize arraw minimize
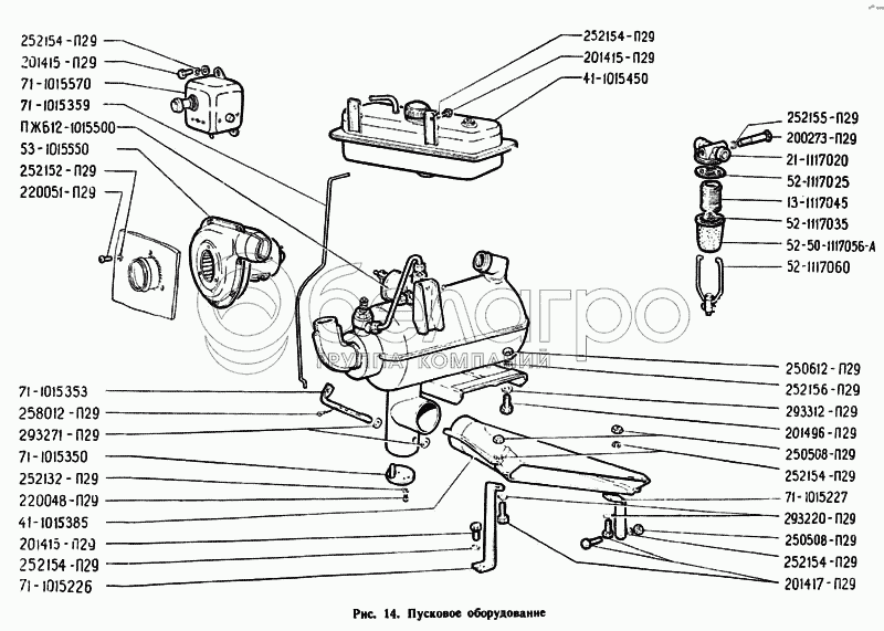
252155-П29
41-1015385
52-1117025
52-1117035
71-1015570
52-50-1117056-А
71-1015359
293312-П29
293271-П29
293220-П29
71-1015353
252156-П29
252152-П29
252132-П29
252154-П29
252154-П29
252154-П29
252154-П29
252154-П29
258012-П29
ПЖБ12-1015500
13-1117045
220048-П29
201415-П29
201417-П29
201496-П29
201415-П29
201415-П29
200273-П29
53-1015550
220051-П29
41-1015450
250612-П29
250508-П29
250508-П29
71-1015350
52-1117060
21-1117020
71-1015226
71-1015227
252155-П29
Шайба пружинная 8
В узле: 1
41-1015385
Патрубок газоотводной пускового подогревателя в сборе
В узле: 1
52-1117025
Прокладка корпуса фильтра тонкой очистки топлива
В узле: 1
52-1117035
Пружина фильтрующего элемента
В узле: 1
71-1015570
Пульт управления пусковым подогревателем в сборе
В узле: 1
52-50-1117056-А
Стакан фильтра тонкой очистки топлива
В узле: 1
71-1015359
Тяга заслонки подогревателя
В узле: 1
293312-П29
Шайба 10
В узле: 3
293271-П29
Шайба 8
В узле: 2
293220-П29
Шайба 6
В узле: 2
71-1015353
Ось заслонки подогревателя
В узле: 1
252156-П29
Шайба 10
В узле: 3
252152-П29
Шайба 4Л
В узле: 3
252132-П29
Шайба 4
В узле: 2
252154-П29
Шайба 6Л ОСТ 37.001.115-75
В узле: 2
252154-П29
Шайба 6Л ОСТ 37.001.115-75
В узле: 4
258012-П29
Шплинт 2х12 ОСТ 37.001.171-93
В узле: 2
ПЖБ12-1015500
Электромагнитный клапан подогревателя (Г-53-1015620)
В узле: 1
13-1117045
Фильтрующий элемент фильтра тонкой очистки топлива в сборе
В узле: 1
220048-П29
Винт М4-6gх6
В узле: 2
201415-П29
Болт М6-6gх10 ОСТ 37.001.123-96
В узле: 1
201417-П29
Болт М6-6gх14 ОСТ 37.001.123-96
В узле: 3
201496-П29
Болт М10-6gх22 ОСТ 37.001.123-96
В узле: 3
201415-П29
Болт М6-6gх10 ОСТ 37.001.123-96
В узле: 2
201415-П29
Болт М6-6gх10 ОСТ 37.001.123-96
В узле: 2
200273-П29
Болт М8-6gх70
В узле: 1
53-1015550
Электровентилятор пускового подогревателя в сборе
В узле: 1
220051-П29
Винт М4-6gх10 ОСТ 37.001.127-81
В узле: 3
41-1015450
Бачок топливный пускового подогревателя в сборе
В узле: 1
250612-П29
Гайка М10-6Н ОСТ 37.001.124-93
В узле: 2
250508-П29
Гайка М6-6Н ОСТ 37.001.124-93
В узле: 3
71-1015350
Заслонка в сборе
В узле: 1
ВК-71-1015005
Комплект запасных частей пускового подогревателя
В узле: 1
52-1117060
Коромысло стакана фильтра тонкой очистки топлива в сборе
В узле: 1
21-1117020
Корпус фильтра тонкой очистки топлива
В узле: 1
71-1015226
Кронштейн крепления газоотводного патрубка
В узле: 1
71-1015227
Кронштейн крепления газоотводного патрубка подогревателя
В узле: 1
Содержащиеся в справочниках-каталогах запасные части и детали не предлагаются к продаже, а носят исключительно информационный характер

Ваша заявка была отправлена. В ближайшее время наши специалисты с Вами свяжутся по указанному Вами телефону.

Представьтесь
Поле обязательно для заполнения
Ваш телефон
Введите правильный номер телефона
E-mail
Введите правильный e-mail
Тема
Тема
применяемость финансирование доставка цена, наличие другое сервис и гарантия
Время для звонка
08:00
08:00 09:00 10:00 11:00 12:00 13:00 14:00 15:00 16:00 17:00 18:00 19:00
19:00
08:00 09:00 10:00 11:00 12:00 13:00 14:00 15:00 16:00 17:00 18:00 19:00

Мы постараемся перезвонить в указанное время

Если вы не хотите ждать, то звоните нашим вежливым консультантам:

8 800 100-2-700
Подтвердите, что вы не робот
Подтвердите, что вы не робот
Спасибо!

Ваше сообщение успешно отправлено!

ЗакрытьПовторить попытку