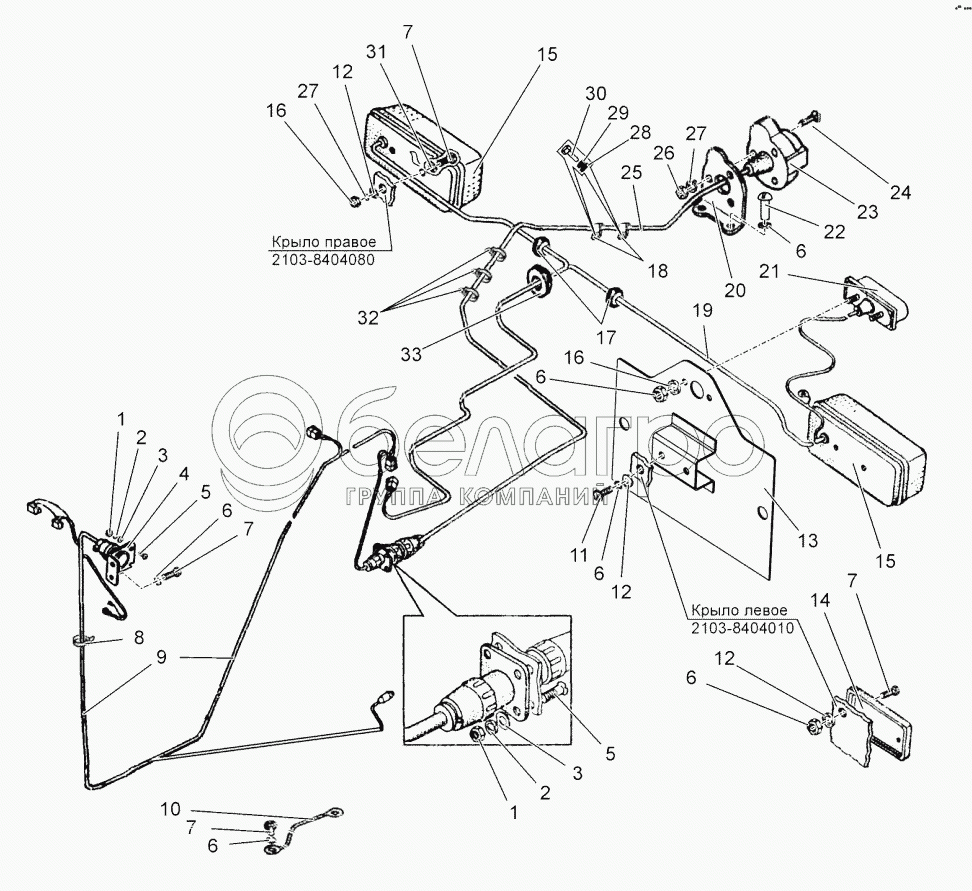
Каталог запасных частей к технике: МТЗ БЕЛАРУС 1502. Электрооборудование кабины. Установка фонарей задних

zoom-in zoom-out enlarge shrink circle-right circle-left file-text2 info cart arraw right arraw left zoom out zoom in arraw maximize arraw minimize
1502-3700075
923-3700050
1
1
2
2
3
3
4
5
5
6
6
6
6
6
6
7
7
7
7
8
9
10
11
12
12
12
13
14
14
15
15
16
16
17
18
19
20
21
21
22
23
23
23
23
24
25
26
27
27
28
29
30
31
32
33
15
7303.3716
Фонарь задний
В узле: 2
7303.3716 фонарь задний многофункц (12В)(002) >10 шт. 428.85 р.
7303.3716 Фонарь задний МТЗ с/х, Н/О, 12В , Беларусь Под заказ 780.09 р.
21
112.00.05-01
Фонарь освещения номерного знака
В узле: 1
112.00.05-01 Фонарь МТЗ освещения знака номерного полуприцепа 12V, Беларусь Под заказ 489.63 р.
31
80-6708904
Прокладка
В узле: 2
80-6708904 Прокладка <10 шт. 2.26 р.
14
3202.3731
Световозвращатель
В узле: 2
3202.3731 Световозвращатель прямоугольный (красный) (ОАО Руденск) Под заказ 174.94 р.
1502-3700075
Установка фонарей задних
В узле: ---
923-3700050
Электрооборудование кабины
В узле: ---
1
ГайкаМ3-6Н.6.019
Гайка
В узле: 8
2
4598166042
Шайба 3Т
В узле: 8
3
ШайбаС.3.01.019
Шайба С.3.01.019
В узле: 8
4
923-3723006
Кронштейн
В узле: 1
5
ВинтВ.М3-6gх16.58.019
Винт
В узле: 8
6
4598166045
Шайба 6Т
В узле: 14
7
БолтМ6-6gх12.88.35.019
Болт
В узле: 3
8
80-3723045
Манжета
В узле: 1
9
Жгуткабины923-3724100-Г
Жгут кабины
В узле: 1
10
Провод822-3724012
Провод
В узле: 1
11
ВинтВ.М6-6gх20.58.019
Винт
В узле: 10
12
ШайбаС.6.01.019
Шайба С.6.01.019
В узле: 6
13
322-3716010
Кронштейн
В узле: 1
14
КД1-5А
Световозвращатель
В узле: 2
16
ГайкаМ6-6Н.6.019
Гайка
В узле: 12
17
923-3723042
Втулка
В узле: 2
18
70-1115012-04
Хомутик
В узле: 2
19
2102-3724010
Жгут
В узле: 1
20
822-3723041
Кронштейн
В узле: 1
21
ФП131АР
Фонарь освещения номерного знака
В узле: 1
22
ВинтВ.М6-6gх16.58.019
Винт
В узле: 2
23
302.3.04.23
Розетка прицепа
В узле: 1
23
РозеткаР9-1
Розетка Р9-1
В узле: 1
23
РозеткаР9-1М
Розетка
В узле: 1
23
РозеткаРС-9
Розетка соединительная
В узле: 1
24
ВинтВ.М5-6gх35.58.019
Винт В.М5-6gх35.58.019
В узле: 3
25
2102-3724025
Жгут 2
В узле: 1
26
ГайкаМ5-6Н.6.019
Гайка
В узле: 9
27
4598166044
Шайба 5Т
В узле: 9
28
ШайбаС.10.01.019
Шайба С.10.01.019
В узле: 2
29
4598166007
Шайба 10Л
В узле: 2
30
БолтМ10-6gх30.88.35.019
Болт
В узле: 2
32
80-3723045-01
Манжета
В узле: 5
33
80-3723048
Втулка
В узле: 1
Содержащиеся в справочниках-каталогах запасные части и детали не предлагаются к продаже, а носят исключительно информационный характер

Ваша заявка была отправлена. В ближайшее время наши специалисты с Вами свяжутся по указанному Вами телефону.

Представьтесь
Поле обязательно для заполнения
Ваш телефон
Введите правильный номер телефона
E-mail
Введите правильный e-mail
Тема
Тема
применяемость финансирование доставка цена, наличие другое сервис и гарантия
Время для звонка
08:00
08:00 09:00 10:00 11:00 12:00 13:00 14:00 15:00 16:00 17:00 18:00 19:00
19:00
08:00 09:00 10:00 11:00 12:00 13:00 14:00 15:00 16:00 17:00 18:00 19:00

Мы постараемся перезвонить в указанное время

Если вы не хотите ждать, то звоните нашим вежливым консультантам:

8 800 100-2-700
Подтвердите, что вы не робот
Подтвердите, что вы не робот
Спасибо!

Ваше сообщение успешно отправлено!

ЗакрытьПовторить попытку