Каталог запасных частей к технике: МТЗ БЕЛАРУС 1502. Установка фонарей передних и фар дорожных

zoom-in zoom-out enlarge shrink circle-right circle-left file-text2 info cart arraw right arraw left zoom out zoom in arraw maximize arraw minimize
1502-3712010
1
1
2
2
3
4
4
5
6
7
8
8
8
9
9
10
11
12
13
14
15
16
17
18
19
19
20
21
22
23
24
25
26
27
28
18
А30.04.017
Колпачок
В узле: 4
А30.04.017 Колпачок Под заказ 4.61 р.
1502-3712010
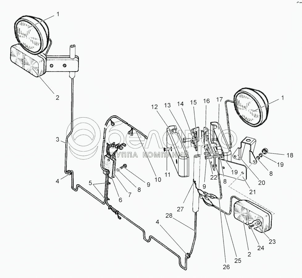
Установка фонарей передних и фар дорожных
В узле: ---
1
8703.303/1-01
Фара дорожная
В узле: 2
2
3713.3712
Фонарь передний
В узле: 2
3
923-3724146-Б
Жгут
В узле: 1
4
923-3723042
Втулка
В узле: 2
5
80-3723045
Манжета
В узле: 4
6
923-3712017
Кронштейн
В узле: 1
7
923-3712016
Прокладка
В узле: 1
8
4598166045
Шайба 6Т
В узле: 18
9
БолтМ6-6gх18.88.35.019
Болт
В узле: 10
10
Жгут923-3724130-В
Жгут 923-3724130-В
В узле: 1
24
ВинтВ.М6-6gх18.58.019
Винт
В узле: 4
12
920-3712021
Кожух
В узле: 2
13
БолтМ8-6gх16.88.35.019
Болт
В узле: 4
14
4598166046
Шайба 8Т
В узле: 4
15
920-3712013
Скоба
В узле: 2
16
920-3712010
Кронштейн
В узле: 2
17
920-3712022
Кожух
В узле: 2
19
ГайкаМ6-6Н.6.019
Гайка
В узле: 8
20
920-3711011
Кронштейн
В узле: 2
21
920-3712012
Кронштейн
В узле: 2
22
Шуруп4х16.019
Шуруп 4х16.019
В узле: 4
23
ШайбаС.6.01.019
Шайба С.6.01.019
В узле: 8
25
Жгут923-3724140-Б
Жгут 923-3724140-Б
В узле: 2
26
Жгут920-3724141
Жгут
В узле: 2
27
70-3723042-01
Втулка
В узле: 6
28
Жгут923-3724145-Б
Жгут 923-3724145-Б
В узле: 1
Содержащиеся в справочниках-каталогах запасные части и детали не предлагаются к продаже, а носят исключительно информационный характер

Ваша заявка была отправлена. В ближайшее время наши специалисты с Вами свяжутся по указанному Вами телефону.

Представьтесь
Поле обязательно для заполнения
Ваш телефон
Введите правильный номер телефона
E-mail
Введите правильный e-mail
Тема
Тема
применяемость финансирование доставка цена, наличие другое сервис и гарантия
Время для звонка
08:00
08:00 09:00 10:00 11:00 12:00 13:00 14:00 15:00 16:00 17:00 18:00 19:00
19:00
08:00 09:00 10:00 11:00 12:00 13:00 14:00 15:00 16:00 17:00 18:00 19:00

Мы постараемся перезвонить в указанное время

Если вы не хотите ждать, то звоните нашим вежливым консультантам:

8 800 100-2-700
Подтвердите, что вы не робот
Подтвердите, что вы не робот
Спасибо!

Ваше сообщение успешно отправлено!

ЗакрытьПовторить попытку