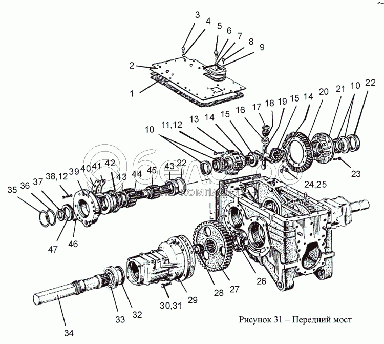
Каталог запасных частей к технике: МТЗ МЛ-131. Передний мост
1
2
3
4
5
6
7
8
9
10
10
11
12
12
13
14
14
15
15
16
17
18
19
20
21
22
22
23
24
26
27
28
29
30
31
32
33
34
35
36
37
38
39
40
41
42
43
43
44
45
46
47
|
23
50-1702092
Болт призонный М12х42
В узле: 12
|
|||||||||||||||||||||||||||||||||||||||||||||||||||||||||||||||||||||||||||||||||||||||
| 50-1702092 Болт МТЗ, САЗ* |
|
Под заказ | 67.77 р. | ||||||||||||||||||||||||||||||||||||||||||||||||||||||||||||||||||||||||||||||||||||
|
1
50-2401025-А
Прокладка
В узле: 1
|
|||||||||||||||||||||||||||||||||||||||||||||||||||||||||||||||||||||||||||||||||||||||
| 50-2401025-А Прокладка МТЗ паронит, Беларусь |
|
>10 шт. | 95.48 р. | ||||||||||||||||||||||||||||||||||||||||||||||||||||||||||||||||||||||||||||||||||||
|
24
50-2403023
Пластина стопорная
В узле: 6
|
|||||||||||||||||||||||||||||||||||||||||||||||||||||||||||||||||||||||||||||||||||||||
| 50-2403023 Пластина стопорная МТЗ |
|
Под заказ | 50.75 р. | ||||||||||||||||||||||||||||||||||||||||||||||||||||||||||||||||||||||||||||||||||||
|
5
50-4608059
Пробка сапуна
В узле: 1
|
|||||||||||||||||||||||||||||||||||||||||||||||||||||||||||||||||||||||||||||||||||||||
| 50-4608059 Пробка МТЗ сапуна , САЗ |
|
<10 шт. | 142.41 р. | ||||||||||||||||||||||||||||||||||||||||||||||||||||||||||||||||||||||||||||||||||||
|
42
205-210-36-1-4
Кольцо
В узле: 2
|
|||||||||||||||||||||||||||||||||||||||||||||||||||||||||||||||||||||||||||||||||||||||
| 205-210-36-1-4 Кольцо уплотнительное, Беларусь |
|
Под заказ | 144.57 р. | ||||||||||||||||||||||||||||||||||||||||||||||||||||||||||||||||||||||||||||||||||||
|
22
1221-2407043
Кольцо
В узле: 2
|
|||||||||||||||||||||||||||||||||||||||||||||||||||||||||||||||||||||||||||||||||||||||
| 1221-2407043 Кольцо дифференциала МТЗ моста заднего |
|
<10 шт. | 633.30 р. | ||||||||||||||||||||||||||||||||||||||||||||||||||||||||||||||||||||||||||||||||||||
|
46
50-1601352
Штифт
В узле: 4
|
|||||||||||||||||||||||||||||||||||||||||||||||||||||||||||||||||||||||||||||||||||||||
| 50-1601352 Штифт установочный МТЗ (d=14мм, l=40мм), САЗ |
|
Под заказ | 44.47 р. | ||||||||||||||||||||||||||||||||||||||||||||||||||||||||||||||||||||||||||||||||||||
|
14
1220-2403049
Шайба опорная
В узле: 2
|
|||||||||||||||||||||||||||||||||||||||||||||||||||||||||||||||||||||||||||||||||||||||
| 1220-2403049 Шайба МТЗ дифференциала моста заднего |
|
Под заказ | 865.33 р. | ||||||||||||||||||||||||||||||||||||||||||||||||||||||||||||||||||||||||||||||||||||
|
15
1522-2403048
Шестерня полуосевая
В узле: 2
|
|||||||||||||||||||||||||||||||||||||||||||||||||||||||||||||||||||||||||||||||||||||||
| 1522-2403048 Шестерня МТЗ полуосевая, z=24, МЗШ |
|
<10 шт. | 3 736.99 р. | ||||||||||||||||||||||||||||||||||||||||||||||||||||||||||||||||||||||||||||||||||||
|
39
1221-2407042
Стакан подшипника
В узле: 2
|
|||||||||||||||||||||||||||||||||||||||||||||||||||||||||||||||||||||||||||||||||||||||
| 1221-2407042 Стакан подшипников МТЗ главной передачи |
|
Под заказ | 13 559.81 р. | ||||||||||||||||||||||||||||||||||||||||||||||||||||||||||||||||||||||||||||||||||||
|
40
1221-2407056
Прокладка (0,5 mm)
В узле: ---
|
|||||||||||||||||||||||||||||||||||||||||||||||||||||||||||||||||||||||||||||||||||||||
| 1221-2407056 Прокладка МТЗ регулировочная дифференциала заднего моста (0,5мм) |
|
Под заказ | 55.25 р. | ||||||||||||||||||||||||||||||||||||||||||||||||||||||||||||||||||||||||||||||||||||
|
6
50-4608063
Фильтр
В узле: 1
|
|||||||||||||||||||||||||||||||||||||||||||||||||||||||||||||||||||||||||||||||||||||||
| 50-4608063 Фильтр МТЗ |
|
Под заказ | 10.05 р. | ||||||||||||||||||||||||||||||||||||||||||||||||||||||||||||||||||||||||||||||||||||
|
28
1221-2407123
Втулка
В узле: 2
|
|||||||||||||||||||||||||||||||||||||||||||||||||||||||||||||||||||||||||||||||||||||||
| 1221-2407123 Втулка МТЗ шестерни ведомой моста заднего |
|
<10 шт. | 9 652.34 р. | ||||||||||||||||||||||||||||||||||||||||||||||||||||||||||||||||||||||||||||||||||||
|
45
1522-2407053
Вал
В узле: 1
|
|||||||||||||||||||||||||||||||||||||||||||||||||||||||||||||||||||||||||||||||||||||||
| 1522-2407053 Вал |
|
<10 шт. | 7 770.24 р. | ||||||||||||||||||||||||||||||||||||||||||||||||||||||||||||||||||||||||||||||||||||
|
44
1522-2407052
Шестерня
В узле: 2
|
|||||||||||||||||||||||||||||||||||||||||||||||||||||||||||||||||||||||||||||||||||||||
| 1522-2407052 Шестерня МТЗ дифференциала заднего моста. z=24, МЗШ |
|
Под заказ | 6 252.49 р. | ||||||||||||||||||||||||||||||||||||||||||||||||||||||||||||||||||||||||||||||||||||
|
7
50-4608062
Шайба сапуна
В узле: 1
|
|||||||||||||||||||||||||||||||||||||||||||||||||||||||||||||||||||||||||||||||||||||||
| 50-4608062 Шайба МТЗ сапуна |
|
Под заказ | 14.58 р. | ||||||||||||||||||||||||||||||||||||||||||||||||||||||||||||||||||||||||||||||||||||
Содержащиеся в справочниках-каталогах запасные части и детали не предлагаются к продаже, а носят исключительно информационный характер