Каталог запасных частей к технике: МЗКТ-69234. Подвеска передняя

zoom-in zoom-out enlarge shrink circle-right circle-left file-text2 info cart arraw right arraw left zoom out zoom in arraw maximize arraw minimize
1
2
3
3
3
4
5
5
6
6
7
7
8
9
10
11
11
12
13
14
14
15
15
16
17
18
19
19
19
20
20
21
21
22
23
24
25
26
27
27
28
29
30
31
32
33
34
35
36
37
38
39
40
41
41
42
43
44
45
46
47
47
48
48
49
50
51
52
53
54
55
46
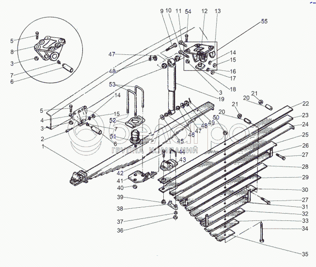
500А-2905410
Буфер
В узле: 16
500А-2905410 Втулка амортизатора (одинарная) <10 шт. 94.56 р.
1
509-2912012-12
Рессора задняя
В узле: 4
2
7410-2918234
Клин пальца
В узле: 4
3
374634
Гайка М16х1,5-6Н
В узле: 40
4
6923-2902444
Кронштейн
В узле: 2
5
371344
Болт М16х1,5-6gх60
В узле: 12
6
6923-2902478
Палец
В узле: 4
7
264020
Масленка 1.3.Ц6
В узле: 4
8
6923-2902438
Кронштейн рессоры
В узле: 2
9
6923-2905470
Палец амортизатора
В узле: 4
10
200880
Болт М16-6g х160
В узле: 4
11
221723
Винт М10-6gx30
В узле: 2
11
231723
Винт 2М10-6gx30
В узле: 2
12
6923-2902447
Кронштейн рессоры
В узле: 1
13
6923-2902448
Вкладыш
В узле: 2
37
252139
Шайба 16 ОТ
В узле: 8
15
250560
Гайка М16-6Н
В узле: 8
16
252136
Шайба 10 ОТ
В узле: 2
17
250512
Гайка М10-6Н
В узле: 2
18
6923-2902458
Вкладыш
В узле: 1
19
5335-2905006
Амортизатор
В узле: 4
19
5335-2905006-01
Амортизатор
В узле: 4
19
15-2905006-21
Амортизатор
В узле: 4
20
200-2902478
Трубка распорная
В узле: 8
21
250510
Гайка М8х1-6Н
В узле: 8
22
5336-2901101
Лист 1
В узле: 2
23
5336-2902102
Лист 2
В узле: 2
24
5336-2902103-10
Лист 3
В узле: 2
25
5336-2902104
Лист 4
В узле: 2
26
5336-2902053
Лист 5 с хомутами
В узле: 2
27
200332
Болт М10-6gx115
В узле: 8
28
5336-2902106
Лист 6
В узле: 2
29
5336-2902107
Лист 7
В узле: 2
30
5336-2902108
Лист 8
В узле: 2
31
5336-2902054
Лиcт 9 с хомутами
В узле: 2
32
5336-2902110
Лист 10
В узле: 2
33
5336-2902111
Лист 11
В узле: 2
34
371799
Болт М12х1,25-6gх160
В узле: 2
35
5336-2902112
Лист 12
В узле: 2
36
374727
Гайка М16х1,5-5Н6Н
В узле: 6
38
64221-2902025
Накладка ушка
В узле: 2
39
5335-2902018
Втулка
В узле: 2
40
375006
Гайка М24х 2-5Н6Н
В узле: 16
41
69237-2905417
Кронштейн
В узле: 2
41
69237-2905416
Кронштейн
В узле: 2
42
372882
Болт М20х1,5-6gх55
В узле: 2
43
5335-2902015
Ушко
В узле: 2
44
500-2912024
Стремянка
В узле: 2
45
6923-2905420
Шайба упорная
В узле: 4
47
252049-10
Шайба 20
В узле: 4
48
374910
Гайка М20х1,5-5Н6Н
В узле: 8
49
258054
Шплинт 4х32
В узле: 8
50
250515
Гайка М12х1,25-6Н
В узле: 2
51
500-2902624
Буфер передней рессоры
В узле: 4
52
500-2902412
Накладка
В узле: 4
53
516-2902409
Стремянка задняя
В узле: 8
54
371341
Болт М16х1,5-6gх45
В узле: 28
55
6923-2902446
Кронштейн рессоры
В узле: 4
Содержащиеся в справочниках-каталогах запасные части и детали не предлагаются к продаже, а носят исключительно информационный характер

Ваша заявка была отправлена. В ближайшее время наши специалисты с Вами свяжутся по указанному Вами телефону.

Представьтесь
Поле обязательно для заполнения
Ваш телефон
Введите правильный номер телефона
E-mail
Введите правильный e-mail
Тема
Тема
применяемость финансирование доставка цена, наличие другое сервис и гарантия
Время для звонка
08:00
08:00 09:00 10:00 11:00 12:00 13:00 14:00 15:00 16:00 17:00 18:00 19:00
19:00
08:00 09:00 10:00 11:00 12:00 13:00 14:00 15:00 16:00 17:00 18:00 19:00

Мы постараемся перезвонить в указанное время

Если вы не хотите ждать, то звоните нашим вежливым консультантам:

8 800 100-2-700
Подтвердите, что вы не робот
Подтвердите, что вы не робот
Спасибо!

Ваше сообщение успешно отправлено!

ЗакрытьПовторить попытку