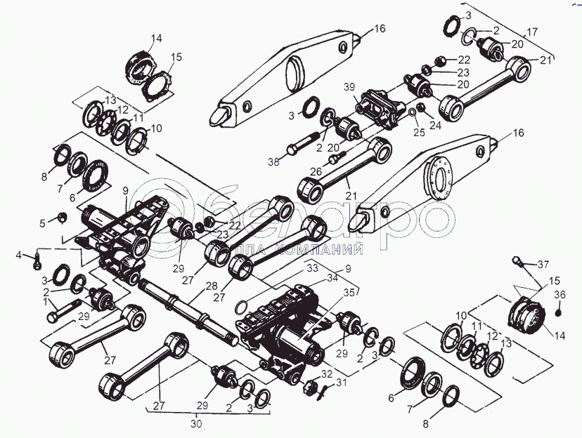
Каталог запасных частей к технике: МЗКТ-69234. Подвеска задняя

zoom-in zoom-out enlarge shrink circle-right circle-left file-text2 info cart arraw right arraw left zoom out zoom in arraw maximize arraw minimize
1
2
2
2
2
2
3
3
3
3
3
4
5
6
6
7
7
8
8
9
9
10
10
11
11
12
12
13
13
14
14
15
15
16
16
17
20
20
20
21
21
22
22
23
23
24
25
26
27
27
27
27
28
29
29
29
29
30
31
32
33
34
35
36
37
38
39
1
371045
Болт М24х2-6gх130
В узле: 12
2
69237-2919032
Кольцо штанги
В узле: 2
3
69237-2919034
Кольцо
В узле: 2
4
372876
Болт М20х1,5-6gх75
В узле: 24
5
374904
Гайка М20х1,5-6Н
В узле: 24
6
69237-2918064
Диск
В узле: 2
7
69237-2918156
Кольцо распорное
В узле: 2
8
0000-2918807
Кольцо 122-130-46-2-2
В узле: 2
9
6923-2918150-11
Кронштейн с осью
В узле: 2
10
69237-2918045
Кольцо упорное
В узле: 2
11
6525-2918192
Гайка
В узле: 2
12
6525-2918198
Шайба
В узле: 2
13
6525-2918202
Гайка
В узле: 2
14
69237-2918118
Крышка
В узле: 2
15
69237-2918122-01
Прокладка
В узле: 2
16
6923-2918010-01
Балансир задней подвески
В узле: 2
17
69237-2919015
Штанга реактивная
В узле: 2
18
69237-2919034
Кольцо
В узле: 2
19
69237-2919032
Кольцо штанги
В узле: 2
20
69237-2919040
Шарнир
В узле: 2
21
69237-2919016
Штанга реактивная
В узле: 1
22
374650
Гайка М24х2-5Н
В узле: 18
23
252143
Шайба 24Т
В узле: 18
24
374634
Гайка М16х1,5-6Н
В узле: 6
25
252155
Шайба 8Л
В узле: 16
26
371346
Болт М16х1,5-6gх70
В узле: 6
27
69237-2919018
Труба с головками
В узле: 1
28
69237-2918164
Стяжка
В узле: 1
29
69237-2919040
Шарнир
В узле: 2
30
69237-2919014
Штанга реактивная
В узле: 4
31
258101
Шплинт 8х80
В узле: 2
32
375107
Гайка М48х2-5Н6Н
В узле: 2
33
69237-2918158
Упор
В узле: 1
34
6923-2918154-10
Кронштейн балансира
В узле: 1
35
6923-2918052-20
Ось балансира
В узле: 1
36
378961
Пробка МК24х1,5
В узле: 2
37
201456
Болт М8-6gх20
В узле: 16
38
69237-2919026
Стяжка М24х2х275
В узле: 6
39
69237-2919044
Кронштейн
В узле: 2
Содержащиеся в справочниках-каталогах запасные части и детали не предлагаются к продаже, а носят исключительно информационный характер

Ваша заявка была отправлена. В ближайшее время наши специалисты с Вами свяжутся по указанному Вами телефону.

Представьтесь
Поле обязательно для заполнения
Ваш телефон
Введите правильный номер телефона
E-mail
Введите правильный e-mail
Тема
Тема
применяемость финансирование доставка цена, наличие другое сервис и гарантия
Время для звонка
08:00
08:00 09:00 10:00 11:00 12:00 13:00 14:00 15:00 16:00 17:00 18:00 19:00
19:00
08:00 09:00 10:00 11:00 12:00 13:00 14:00 15:00 16:00 17:00 18:00 19:00

Мы постараемся перезвонить в указанное время

Если вы не хотите ждать, то звоните нашим вежливым консультантам:

8 800 100-2-700
Подтвердите, что вы не робот
Подтвердите, что вы не робот
Спасибо!

Ваше сообщение успешно отправлено!

ЗакрытьПовторить попытку