Каталог запасных частей к технике: МЗКТ-8006. Усилитель пневмогидравлический 69237-1609200

zoom-in zoom-out enlarge shrink circle-right circle-left file-text2 info cart arraw right arraw left zoom out zoom in arraw maximize arraw minimize
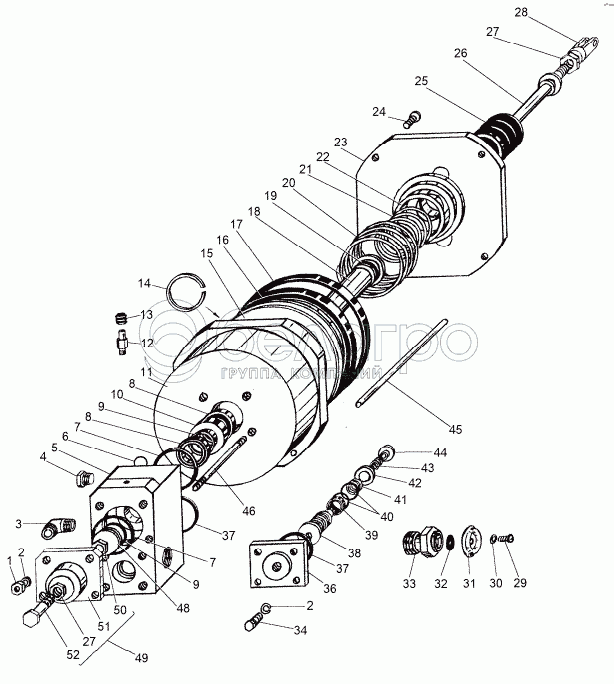
1
2
2
3
4
5
6
7
7
8
8
9
9
10
11
12
13
14
15
16
17
18
19
20
21
22
23
24
25
26
27
27
28
29
30
31
32
33
34
36
37
37
38
39
40
41
42
43
44
45
46
48
49
50
51
52
0000-1804704
Клапан Д 4205.796.00
В узле: 1
1
250511
Гайка М8х1-6Н
В узле: 4
2
252135
Шайба 8Т
В узле: 8
3
379650
Угольник
В узле: 1
4
262541
Пробка КГ 1/8"
В узле: 2
5
69237-1609204
Корпус
В узле: 1
6
0000-1310719
Кольцо 010-014-25-2-2
В узле: 1
7
0000-1609714
Кольцо 042-048-36-2-2
В узле: 2
8
ЦГ70-280-3405087
Манжета
В узле: 2
9
0000-3518740
Кольцо 025-030-30-2-2
В узле: 2
10
69237-1609210-10
Кольцо
В узле: 1
11
69237-1609206
Цилиндр
В узле: 1
12
543-3501048
Клапан перепускной
В узле: 1
13
12-3501049
Колпачок клапана
В узле: 1
14
400373-01
Кольцо В28.Ц6-9.ХР
В узле: 1
15
69237-1609233
Поршень
В узле: 1
16
0000-1609872
Манжета 1-145х125-6
В узле: 1
17
69237-1609212
Кольцо
В узле: 1
18
69237-1609234
Шток
В узле: 1
19
0000-1609737
Кольцо 023-028-30-2-2
В узле: 1
20
535-2403084
Пружина дифференциала
В узле: 1
21
547А-3515142-Б
Пружина
В узле: 1
22
69237-1609242
Ограничитель
В узле: 1
23
69237-1609218
Крышка
В узле: 1
24
221666
Винт М8-6gх25
В узле: 4
25
543-3504276
Колпак
В узле: 1
26
69237-1609209
Шток
В узле: 1
27
250615
Гайка М12х1,25-6Н
В узле: 1
28
200-3504055-Б
Вилка
В узле: 1
29
220050
Винт М4-6gх8
В узле: 1
30
252132
Шайба 4
В узле: 1
31
79301-1609227
Крышка
В узле: 1
32
79301-1609226
Клапан
В узле: 1
33
79301-1609225
Сапун
В узле: 1
34
201458
Болт М8-6gх25
В узле: 4
36
69237-1609205
Крышка
В узле: 1
37
0000-1015754
Кольцо 034-040-36-2-2
В узле: 2
38
69237-1609215
Поршень
В узле: 1
39
7911-3501072
Манжета
В узле: 1
40
0000-1308725
Кольцо 014-018-25-2-2
В узле: 2
41
69237-1609224-10
Пружина
В узле: 1
42
543-1804346
Седло клапана
В узле: 1
43
543-1804330
Пружина
В узле: 1
44
69237-1609268
Втулка
В узле: 1
45
69237-1609248
Трубка
В узле: 1
46
69237-1609244
Стяжка
В узле: 4
48
69237-1609246
Поршень
В узле: 1
49
69237-1609207
Крышка
В узле: 1
50
251647
Гайка М12х1,25-6Н
В узле: 1
51
69237-1609208
Крышка
В узле: 1
52
370574
Болт М12х1,25х75
В узле: 1
Содержащиеся в справочниках-каталогах запасные части и детали не предлагаются к продаже, а носят исключительно информационный характер

Ваша заявка была отправлена. В ближайшее время наши специалисты с Вами свяжутся по указанному Вами телефону.

Представьтесь
Поле обязательно для заполнения
Ваш телефон
Введите правильный номер телефона
E-mail
Введите правильный e-mail
Тема
Тема
применяемость финансирование доставка цена, наличие другое сервис и гарантия
Время для звонка
08:00
08:00 09:00 10:00 11:00 12:00 13:00 14:00 15:00 16:00 17:00 18:00 19:00
19:00
08:00 09:00 10:00 11:00 12:00 13:00 14:00 15:00 16:00 17:00 18:00 19:00

Мы постараемся перезвонить в указанное время

Если вы не хотите ждать, то звоните нашим вежливым консультантам:

8 800 100-2-700
Подтвердите, что вы не робот
Подтвердите, что вы не робот
Спасибо!

Ваше сообщение успешно отправлено!

ЗакрытьПовторить попытку